環境事業ENVIRONMENT BUSINESS
スーパーエルボ
(空気輸送用耐摩耗エルボ)
スーパーエルボ(空気輸送用耐摩耗エルボ)
あらゆる分野で使用されている粉体の空気輸送。
配管のコーナーに使用することで配管のトラブルを軽減できます。
お問い合わせはこちらから
お問い合わせ窓口:環境事業第一部
TEL:093-681-0359
スーパーエルボの
製品概要
スーパーエルボは、コーナー部に球形の窪みを設けることにより、窪み内の浮遊粒子が緩やかに回転。浮遊粒子の緩やかな回転が輸送物の流れを変えることで、壁面への衝突の極小化と摩耗を減少することができ、エルボ部分の長寿命化が見込めます。
スーパーエルボに入って来た粉体は、窪みの位置で矢印のように上部から底部側へ非常にゆっくり回転し、窪みの入口で吹き上げ、後続の粉体を上部へ方向転換させます。
窪み内の底部から離れた粉体層の大半は上部に押し上げられた空気中に浮いて流れ込んでくる粉体に当たり排出側へ導いています。このようにして、衝突部分を少なくし、また摩擦速度を遅くすることで、乱流防止を図っています。
スーパーエルボに入って来た粉体は、窪みの位置で矢印のように上部から底部側へ非常にゆっくり回転し、窪みの入口で吹き上げ、後続の粉体を上部へ方向転換させます。
窪み内の底部から離れた粉体層の大半は上部に押し上げられた空気中に浮いて流れ込んでくる粉体に当たり排出側へ導いています。このようにして、衝突部分を少なくし、また摩擦速度を遅くすることで、乱流防止を図っています。
スーパーエルボ
紹介動画
スーパーエルボの
役割
あらゆる分野で使用されている粉体の空気輸送。
配管のコーナー部に使用することで、配管のトラブルを軽減させる事ができる空気輸送の強い味方です。
配管のコーナー部に使用することで、配管のトラブルを軽減させる事ができる空気輸送の強い味方です。
衝突部分を少なくし、摩擦速度を遅くする。
浮遊粒子の緩やかな回転が輸送物の流れを変えることで、
輸送配管内の壁面への衝突の極小化と摩耗を防ぎます。
トラブルを減少。
空気輸送のコーナー部に使用されてきたショートエルボ、
ロングエルボ、T字管などの配管は、「摩耗」「閉塞」
「形状変化」などの課題を抱えていますが、
それらのトラブルを減少させることができます。
様々なメリットが生じる。
トラブル減少と長寿命化により、メンテナンスコストの削減、
設備稼働率の向上、高所作業の削減等が見込めます。

スーパーエルボの
特徴
粉塵の飛散機会の減少
設備稼働率の向上
メンテナンスコストの低減
高所(危険)作業の削減
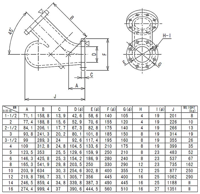
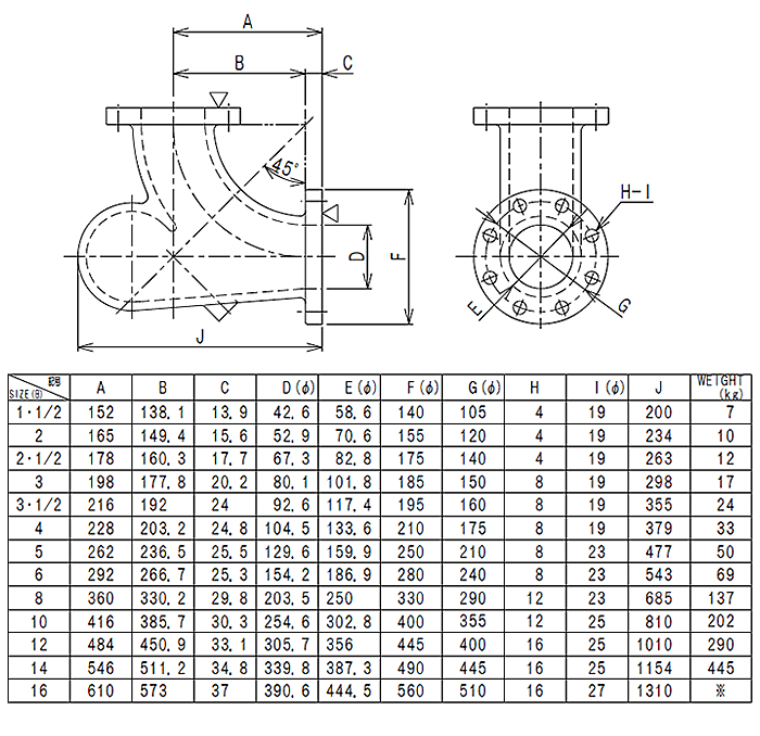
スーパーエルボの主な寸法一覧
拡大して図をみる
拡大して図をみる